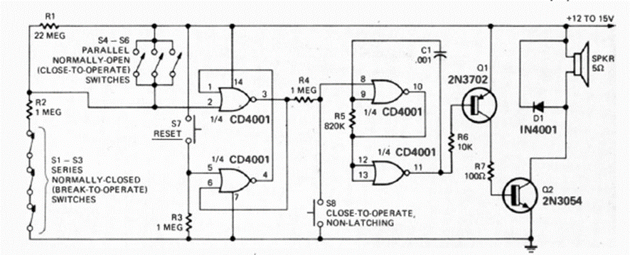
Esta alarma con sensores NO y NC fue encontrada en la revista Radio Electronics de enero de 1975. El circuito emite un sonido potente que depende del transistor de salida.
Este circuito genera una señal de pequeña potencia en el rango superior de la gama de VHF. La...
Ya hemos descrito en nuestro sitio y en nuestras publicaciones diversas versiones del juego del...
La acción rápida de conmutación del 4093 ayuda a obtener un circuito de interruptor nocturno que no se...