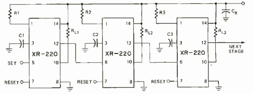
El XR220 es un circuito equivalente al 555 de los años 1970. Esta configuración de la revista Radio Electronics de octubre de 1972 muestra cómo usarlo en un temporizador secuencial. Resistores y capacitores determinan los tiempos de cada etapa.
Este circuito genera una señal de pequeña potencia en el rango superior de la gama de VHF. La...
Ya hemos descrito en nuestro sitio y en nuestras publicaciones diversas versiones del juego del...
La acción rápida de conmutación del 4093 ayuda a obtener un circuito de interruptor nocturno que no se...