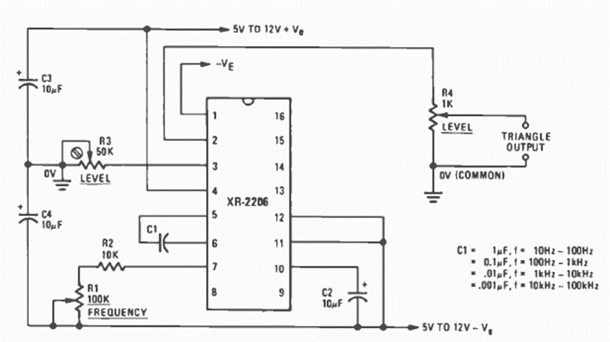
Encontrado en una Radio Electrónica de abril de 1977, este circuito utiliza el conocido XR2206. Los valores de C1 para las diferentes bandas de frecuencia se dan junto al diagrama.
¿Cómo saber si un transmisor está funcionando? Sólo tiene que acercarse a este circuito de su...
Con este circuito simple podemos encender lámparas fluorescentes de 4 a 20 W usando cuatro pilas...
Este circuito posibilita la medida de tensiones en la escala de 0 a 6 V u otra con cambios de los...