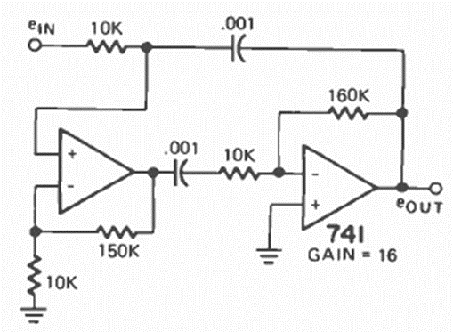
Este filtro con el 741 tiene un factor Q de 8 a una frecuencia de 1 kHz. El circuito es de una Radio Electrónica de noviembre de 1973. El operacional es el 741 o equivalente.

Este filtro con el 741 tiene un factor Q de 8 a una frecuencia de 1 kHz. El circuito es de una Radio Electrónica de noviembre de 1973. El operacional es el 741 o equivalente.
