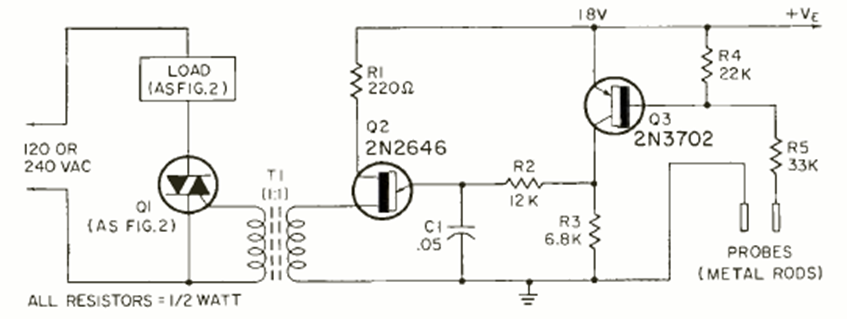
Este circuito es de una revista de Radio Electronics de julio de 1970. Los sensores son sondas metálicas. La fuente de 18 V debe estar aislada de la red eléctrica.
Este circuito genera una señal de pequeña potencia en el rango superior de la gama de VHF. La...
Ya hemos descrito en nuestro sitio y en nuestras publicaciones diversas versiones del juego del...
La acción rápida de conmutación del 4093 ayuda a obtener un circuito de interruptor nocturno que no se...