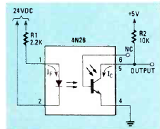
En la figura vemos cómo interconectar una señal de 24 V con lógica TTL usando un acoplador 4N26. El circuito es de una Radio Electronics de mayo de 1985.

En la figura vemos cómo interconectar una señal de 24 V con lógica TTL usando un acoplador 4N26. El circuito es de una Radio Electronics de mayo de 1985.
