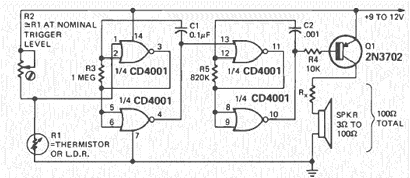
Este circuito se encontró en la revista Radio Electronics de enero de 1975. El circuito está basado en el 4001 y tiene un paso de potencia que se puede cambiar según sugerencias de circuitos anteriores de esta serie 4001.
Los circuitos de alta frecuencia, como los que operan con señales de FM, son críticos no debiendo...
Las lámparas neón son elementos activos de circuitos que se caracterizan por presentar una región de...
Muchos proyectos que utilizan circuitos integrados de amplificadores operacionales, como el 741,...