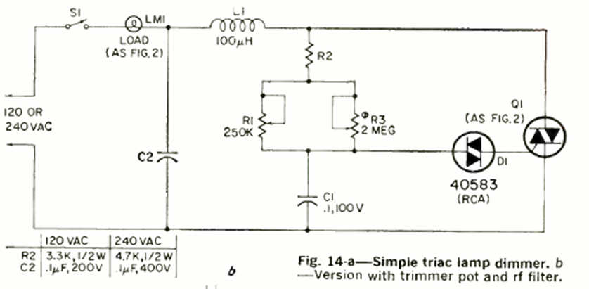
Otro circuito de atenuación. Este atenuador para lámparas incandescentes se encontró en la revista Radio Electronics de julio de 1970. El triac debe estar equipado con un disipador de calor y su corriente debe controlarse según la carga.
Los circuitos de alta frecuencia, como los que operan con señales de FM, son críticos no debiendo...
Las lámparas neón son elementos activos de circuitos que se caracterizan por presentar una región de...
Muchos proyectos que utilizan circuitos integrados de amplificadores operacionales, como el 741,...