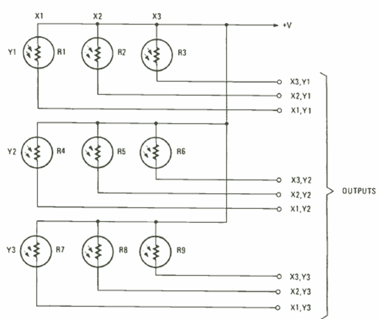
Este circuito de 9 píxeles se implementó con 9 LDR y puede acoplarse a un sistema de procesamiento para un ojo artificial elemental. El circuito es un Radio Electronics de noviembre de 1986.
Los circuitos de alta frecuencia, como los que operan con señales de FM, son críticos no debiendo...
Las lámparas neón son elementos activos de circuitos que se caracterizan por presentar una región de...
Muchos proyectos que utilizan circuitos integrados de amplificadores operacionales, como el 741,...