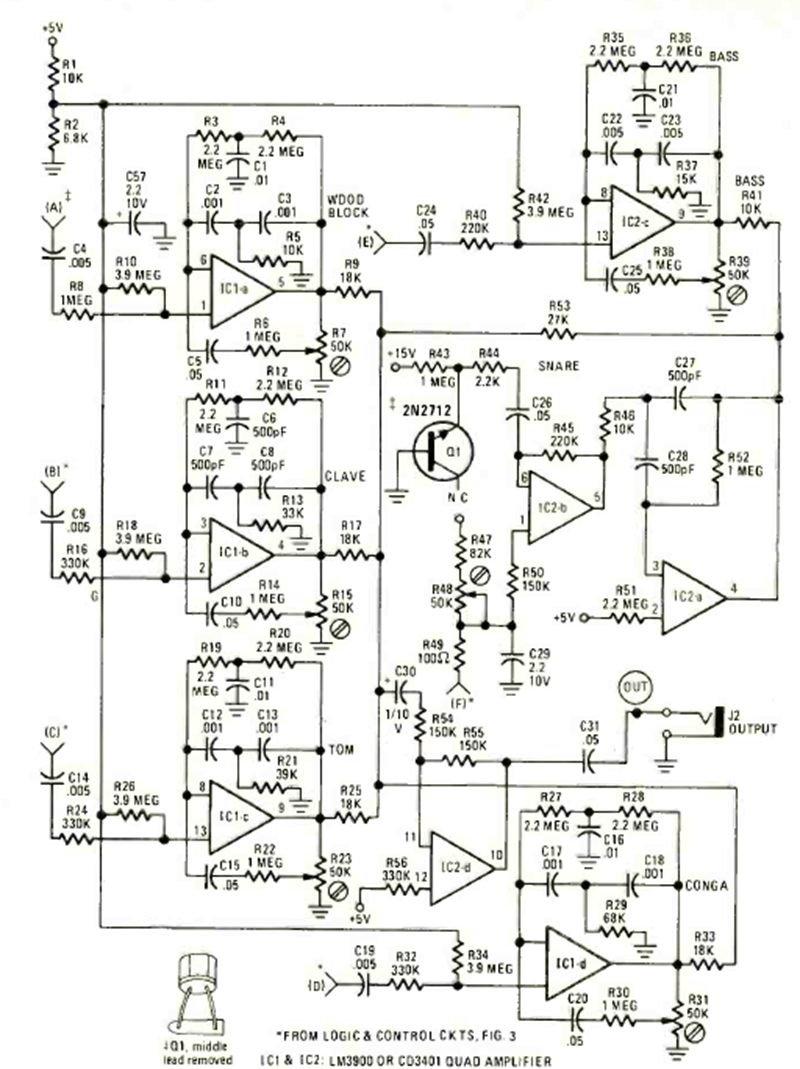
Este circuito de percusión se encontró en la revista Radio Electronics de febrero de 1978. El circuito utiliza un suministro de 3 tensiones y circuitos integrados de la época.
Usted puede montar un simple dínamo con el que podrá visualizar mejor el funcionamiento de este...
Con el circuito presentado en la figura 1 podemos generar señales en el rango de 30 a 150 MHz, lo...
Los circuitos integrados LM317 (1,5 A) y LM350 (3 A) son reguladores de tensión de 3 terminales...