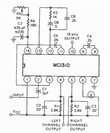
Se trata del circuito publicado en la revista Radio Electronics en agosto de 1973 y que anunció su lanzamiento. Todos los detalles del nuevo circuito se dan en el artículo, así como su configuración básica que se muestra a continuación.

Se trata del circuito publicado en la revista Radio Electronics en agosto de 1973 y que anunció su lanzamiento. Todos los detalles del nuevo circuito se dan en el artículo, así como su configuración básica que se muestra a continuación.
