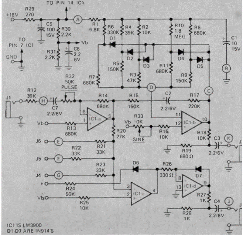
Este circuito para efectos musicales y sintetizadores se encontró en una radioelectrónica de junio de 1974. El circuito también consta de un modulador de ancho de pulso.
Si el lector dispone de un microamperímetro o miliamperímetro sensible, puede utilizarlo en el...
Este circuito utiliza, además del transistor unijuntura, otro dispositivo semiconductor que...
Este circuito utiliza como estándar de frecuencia un filtro cerámico del tipo encontrado en radios de FM,...