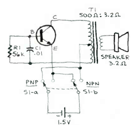
Esta sencilla prueba para transistores de uso general no es más que un oscilador Hartley. El transformador es del tipo que se encuentra en las radios de transistores antiguas.

Esta sencilla prueba para transistores de uso general no es más que un oscilador Hartley. El transformador es del tipo que se encuentra en las radios de transistores antiguas.
