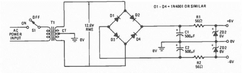
Este circuito lo encontramos en la revista Radio Electronics de mayo de 1977. La tensión del transformador es de 6+6 V y la corriente depende de los diodos zener, siendo del orden de 100 a 200 mA.
Si el lector dispone de un microamperímetro o miliamperímetro sensible, puede utilizarlo en el...
Este circuito utiliza, además del transistor unijuntura, otro dispositivo semiconductor que...
Este circuito utiliza como estándar de frecuencia un filtro cerámico del tipo encontrado en radios de FM,...