Recomendado para aplicaciones de alarma, este circuito es una modificación del anterior. Lo encontramos en la revista Radio Electronics de diciembre de 1976. El circuito es para coches con baterías de 12 V.
Objetivo: Producir un tono audible de advertencia cuando un nivel lógico alto TTL se aplica en su...
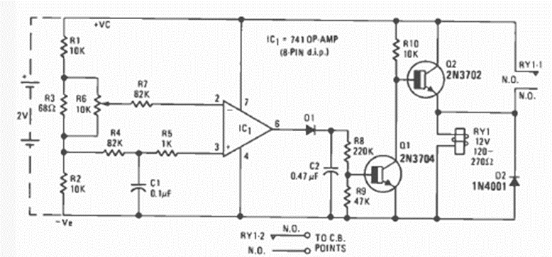
A falta de un circuito para amplificar las señales de un termopar en un control de temperatura u otra...
El circuito anterior puede ser controlado por la luz si utilizamos el LDR como sensor. Se trata de...