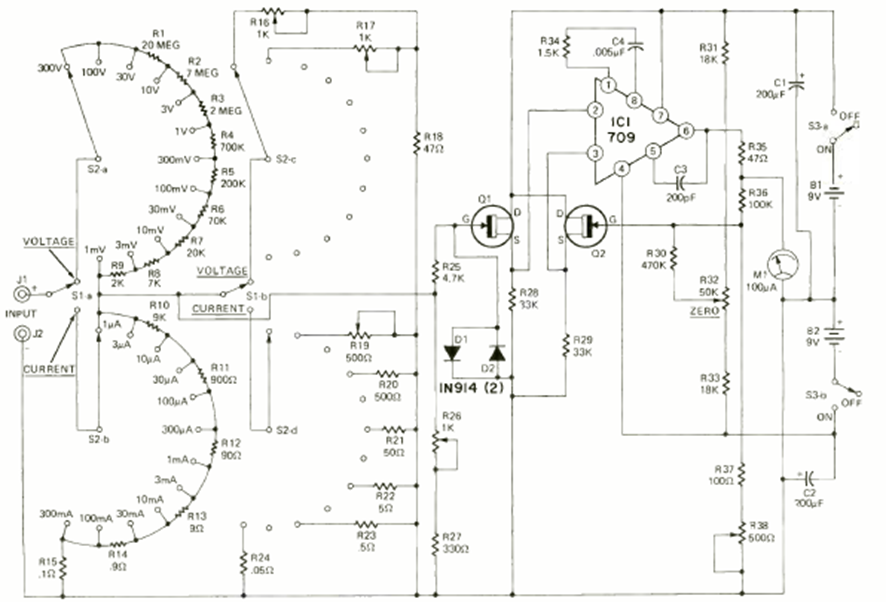
Este multímetro con FET y amplificador operacional 709 fue encontrado en la revista Radio Electronics de julio de 1972. El circuito utiliza dos baterías de 9 V en una fuente simétrica y el indicador es un microamperímetro de 100 uA.
Si el lector dispone de un microamperímetro o miliamperímetro sensible, puede utilizarlo en el...
Este circuito utiliza, además del transistor unijuntura, otro dispositivo semiconductor que...
Este circuito utiliza como estándar de frecuencia un filtro cerámico del tipo encontrado en radios de FM,...