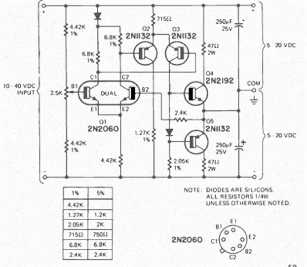
Este circuito convierte el voltaje de una fuente simple en un voltaje simétrico. El circuito es de una Radio Electronics de junio de 1974. La tensión se puede cambiar cambiando componentes.

Este circuito convierte el voltaje de una fuente simple en un voltaje simétrico. El circuito es de una Radio Electronics de junio de 1974. La tensión se puede cambiar cambiando componentes.
