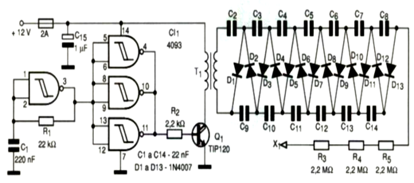
Se ha comprobado que la presencia de iones negativos en el aire de un ambiente tiene efectos beneficiosos en personas que tienen problemas respiratorios, alergias o incluso padecen dolores reumáticos o causados por quemaduras. El circuito que vemos en la figura genera una buena cantidad de iones negativos, que se esparcen por el ambiente. La alimentación de 12 V permite utilizarlo tanto en casa con fuente de alimentación como en el coche, alimentado por su batería. El circuito consta de un inversor que inicialmente eleva los 12 V de una batería o fuente de baja tensión a alrededor de 200 a 500 V, dependiendo del transformador utilizado. Esta tensión se aplica a un multiplicador de tensión que, dependiendo del número de etapas, la elevará a un valor negativo entre - 2000 y - 5000 volts. Esta tensión se aplica a un electrodo que no es más que un pin común. Debido al efecto de los picos, la carga estática generada electrifica el aire y es expulsada, sumándose así al aire ambiente. De esta forma, el aire ambiente estará lleno de iones negativos que, una vez inhalados, provocan una sensación de bienestar en las personas, aliviando especialmente las crisis alérgicas. Para comprobar que el dispositivo funciona, basta con acercar una lámpara de neón al electrodo (sin tocarlo). Debería encenderse debido al efecto de la alta tensión. El transformador puede tener un primario de 110 V o 220 V, y un secundario de 12 V con una corriente entre 200 y 500 mA. El transistor debe montarse sobre un disipador de calor. También observamos que el número de pasos del multiplicador de tensión se puede cambiar para generar mayores o menores cantidades de iones negativos.




