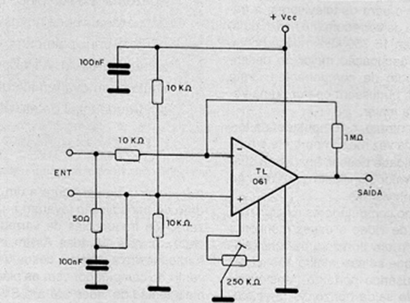
Este circuito es una aplicación para un amplificador operacional con transistores de efecto de campo de Texas Instruments y está destinado a amplificar señales de baja frecuencia (audio) con excelente rendimiento. El resistor de 1M junto con los resistores de entrada de 10k determinan la ganancia, mientras que la impedancia es de 50 ohms. El trimpot ajusta la simetría de la señal, actuando sobre el voltaje de salida ajustado. La alimentación se puede suministrar con tensiones de 1,5 a 12 V.




