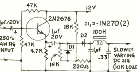
El propósito de este circuito es detectar audio que modula en amplitud una portadora de RF. El circuito es para portadoras de baja frecuencia. Lo encontramos en una Radio Electrónica de mayo de 1967.

El propósito de este circuito es detectar audio que modula en amplitud una portadora de RF. El circuito es para portadoras de baja frecuencia. Lo encontramos en una Radio Electrónica de mayo de 1967.
