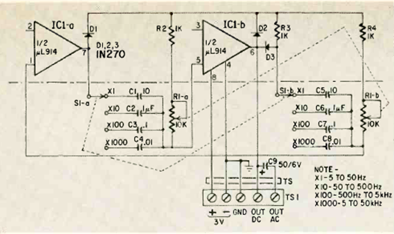
El generador de señales integrado apareció en la revista Radio Electronics en enero de 1968. Los circuitos integrados son de la época y el generador produce señales de 5 Hz a 50 kHz.
Este circuito es de una documentación del propio fabricante del operacional de los años 80. El...
Esta sencilla fuente de alimentación está regulada por dos diodos Zener que, para una corriente de hasta...
Los SIDAC no son muy habituales, pero si consigues uno puedes montar un oscilador de relajación capaz de...