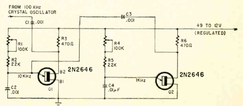
Este circuito de transistor unijuntura es un divisor de frecuencia sincronizado a 100 kHz. El circuito fue encontrado en una Radio Electrónica de julio de 1968. El ajuste de R4 es importante.
Es una experiencia de electromagnetismo muy simple que se puede realizar con material común, como...
La simple luz de tiempo tiene muchas de otras Aplicaciones. Cuando se toca en S1, un interruptor de la...
Recibir señales moduladas o no de radiación infrarroja convirtiéndolas en una tensión amplificada que...