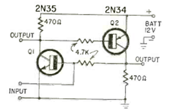
Este circuito oscilador con dos transistores es de una documentación de 1965. El circuito es del tipo biestable que funciona con una señal de sincronización externa.

Este circuito oscilador con dos transistores es de una documentación de 1965. El circuito es del tipo biestable que funciona con una señal de sincronización externa.
