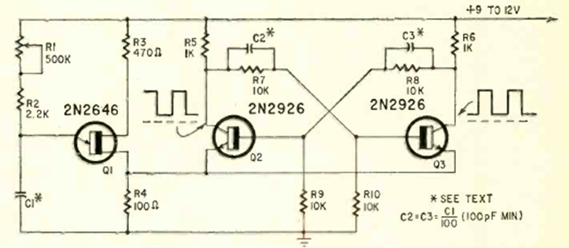
En este circuito, un transistor unijuntura controla un multivibrador que proporciona una señal rectangular con una frecuencia dada por el ajuste de P1 y C1. El circuito es de una Radio Electronics de julio de 1968.
Es una experiencia de electromagnetismo muy simple que se puede realizar con material común, como...
La simple luz de tiempo tiene muchas de otras Aplicaciones. Cuando se toca en S1, un interruptor de la...
Recibir señales moduladas o no de radiación infrarroja convirtiéndolas en una tensión amplificada que...