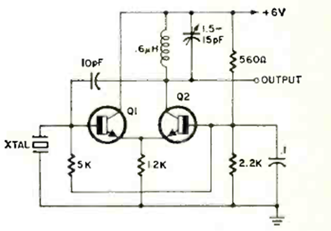
Este oscilador para el quinto armónico de un cristal se encontró en una revista de Radio Electronics de mayo de 1970. Los transistores son del tipo RF y el transistor determina la frecuencia máxima alcanzada.
Es una experiencia de electromagnetismo muy simple que se puede realizar con material común, como...
La simple luz de tiempo tiene muchas de otras Aplicaciones. Cuando se toca en S1, un interruptor de la...
Recibir señales moduladas o no de radiación infrarroja convirtiéndolas en una tensión amplificada que...