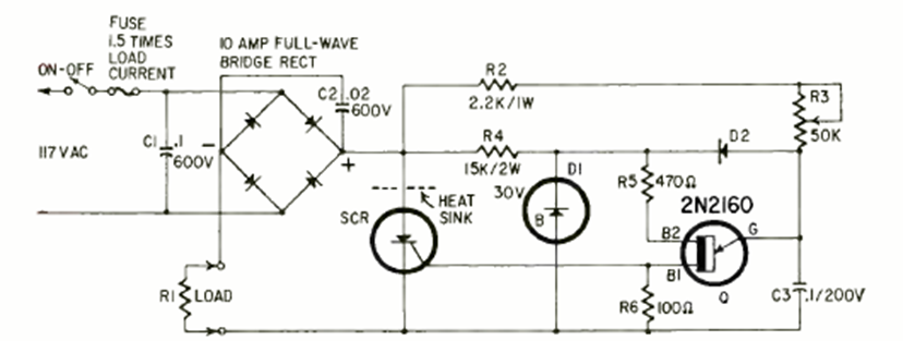
Este control de potencia con SCR se encontró en Radio Electronics desde abril de 1966. Los componentes son de la época, pero el circuito se puede implementar con equivalentes modernos. Los diodos deben tener corriente según la carga.
Es una experiencia de electromagnetismo muy simple que se puede realizar con material común, como...
La simple luz de tiempo tiene muchas de otras Aplicaciones. Cuando se toca en S1, un interruptor de la...
Recibir señales moduladas o no de radiación infrarroja convirtiéndolas en una tensión amplificada que...