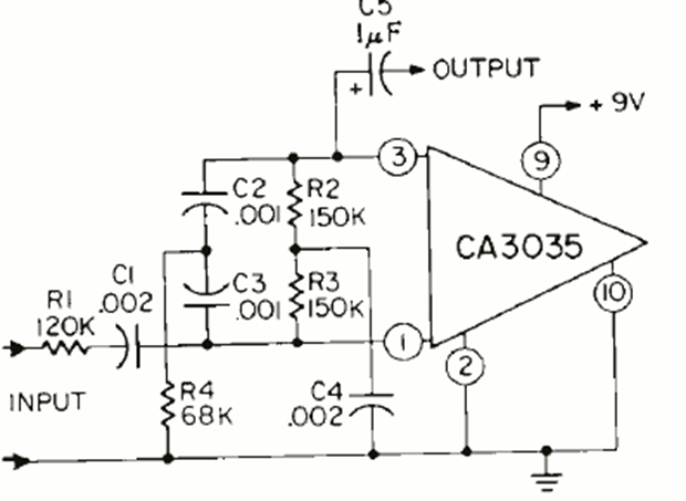
Este circuito amplifica señales únicamente en el rango de frecuencia determinado por la doble T. El circuito es de una Radio Electrónica de febrero de 1970. El circuito integrado es el CA3035 lanzado por RCA en su momento.

Este circuito amplifica señales únicamente en el rango de frecuencia determinado por la doble T. El circuito es de una Radio Electrónica de febrero de 1970. El circuito integrado es el CA3035 lanzado por RCA en su momento.
