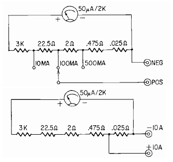
Este es el circuito básico de un miliamperímetro con un instrumento de 50 uA y una resistencia de bobina de 2k. Se pueden realizar cálculos para instrumentos con otras características. El segundo circuito incluye un décimo contacto sin pasar por la llave, para mayor seguridad.





