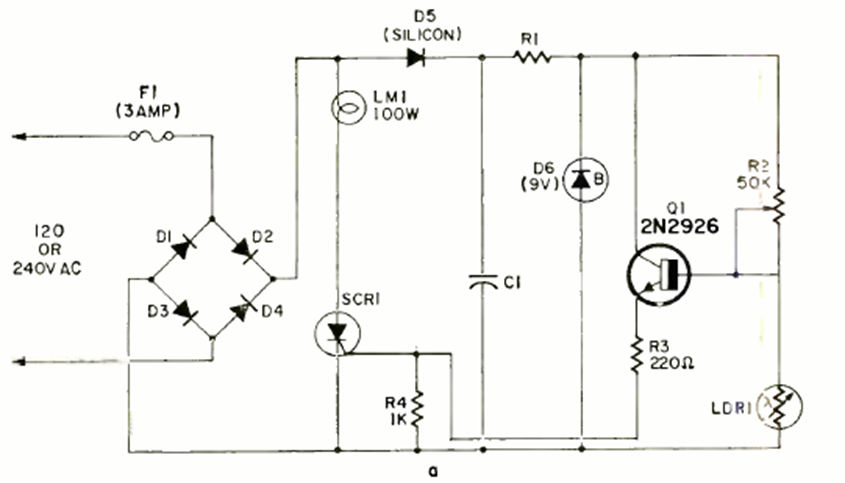
Este circuito apareció en la revista Radio Electronics en julio de 1969. El sensor es un LDR y el circuito es un control de onda completa. Los diodos deben estar de acuerdo con la potencia de la lámpara, así como con el SCR.
Antes, del advenimiento del transistor se podía hacer una radio con amplificación para la señal...
Objetivo: Accionar de modo selectivo dos lámparas indicadoras (u otros dispositivos tales como...
Aumente la intensidad del sonido de su bocina piezoeléctrica con el circuito que presentamos. Este oscilador...