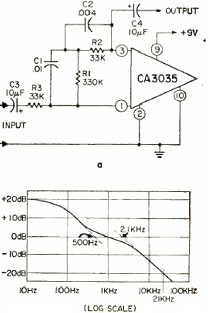
Utilizando un circuito integrado RCA CA3035, este circuito de tocadiscos se encontró en la revista Radio Electronics de febrero de 1970. La curva de respuesta se muestra al lado del diagrama.

Utilizando un circuito integrado RCA CA3035, este circuito de tocadiscos se encontró en la revista Radio Electronics de febrero de 1970. La curva de respuesta se muestra al lado del diagrama.
