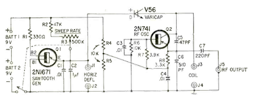
Este sencillo generador bipolar y unijuntura apareció en la revista Radio Electronics en septiembre de 1865. Genera señales de 100 kHz a 60 MHz y funciona con dos baterías de 9 V.
Antes, del advenimiento del transistor se podía hacer una radio con amplificación para la señal...
Objetivo: Accionar de modo selectivo dos lámparas indicadoras (u otros dispositivos tales como...
Aumente la intensidad del sonido de su bocina piezoeléctrica con el circuito que presentamos. Este oscilador...