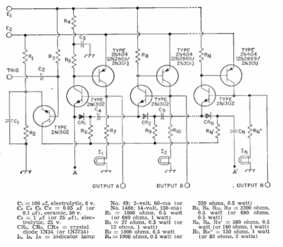
Encontramos esta configuración en el manual de transistores RCA de 1964. Como cargas indicadoras en cada etapa se utilizan lámparas. Los transistores pueden ser BC548 y BC558 y el número de etapas puede ser ampliado.

Encontramos esta configuración en el manual de transistores RCA de 1964. Como cargas indicadoras en cada etapa se utilizan lámparas. Los transistores pueden ser BC548 y BC558 y el número de etapas puede ser ampliado.
