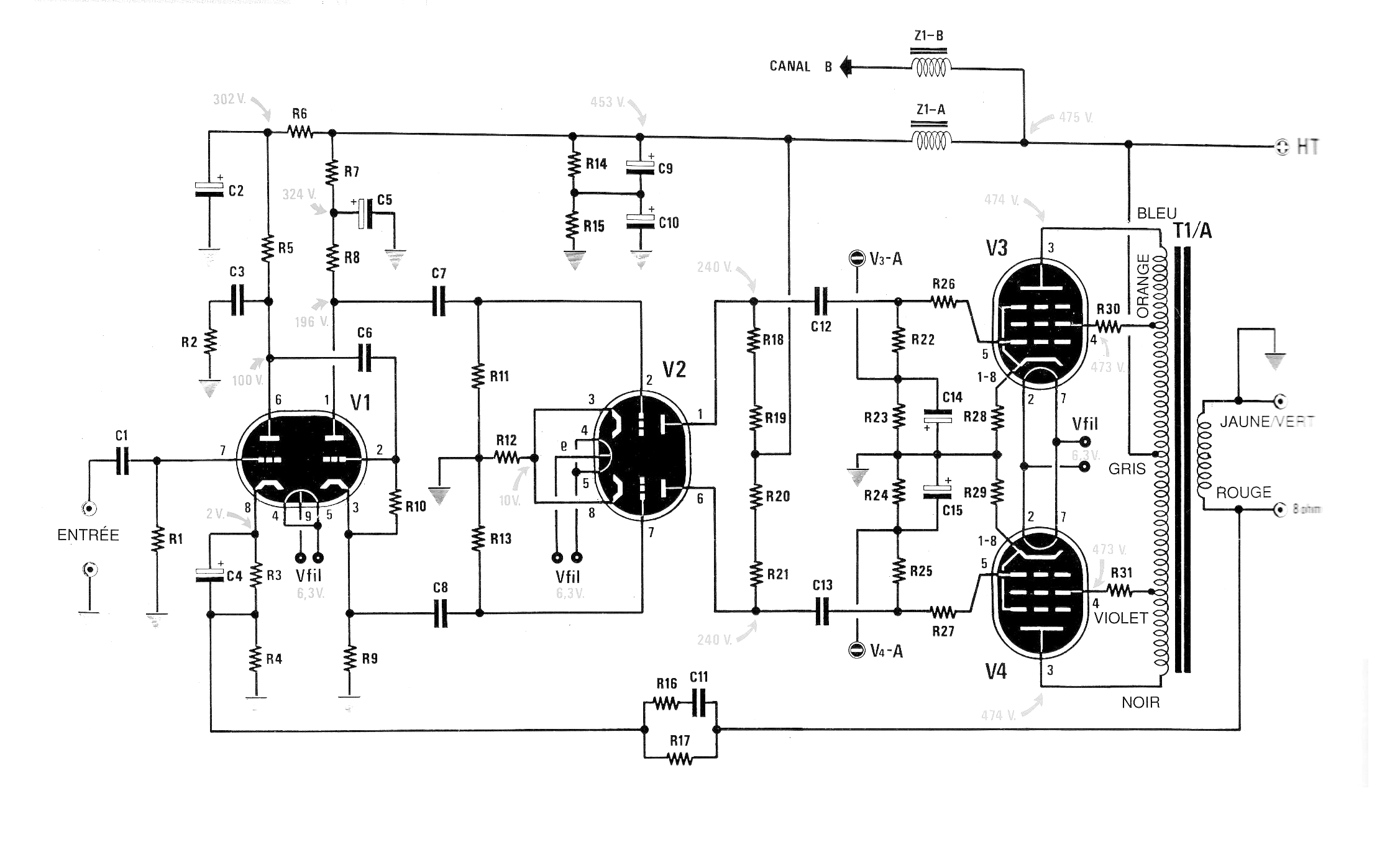
Este excelente amplificador de alta fidelidad se obtuvo en una revista Nouvelle Electronique de Francia, una edición de 1994. La fuente está en V235. El circuito tiene por elementos críticos además de las válvulas son los transformadores los choques de filtro. Utiliza un doble triodo como inversor de fase eliminando así la necesidad de un transformador controlador. Observe las altas tensiones que deben ser medidas en los diversos puntos del circuito.





