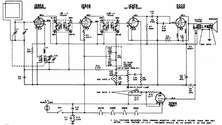
Este receptor de configuração comum usava antena de quadro e 5 válvulas com os filamentos ligados em série. O circuito se destinava a faixa de ondas médias.
Las radios transistorizadas simples se pueden hacer en infinitas configuraciones. Presentamos una...
Este reforzador de señales permite mejorar la recepción de su radito de ondas medias y cortas (no...
Muchos proyectos que hacen uso de transistores y circuitos integrados son alimentados por una...