Este artículo forma parte del libro Transmisores y Generadores de RF de Apollon Fanzeres de 1985 que reproducimos en su totalidad para descargar en este sitio, pues la parte teórica todavía es actual y algunos circuitos todavía pueden ser reproducidos con facilidad.
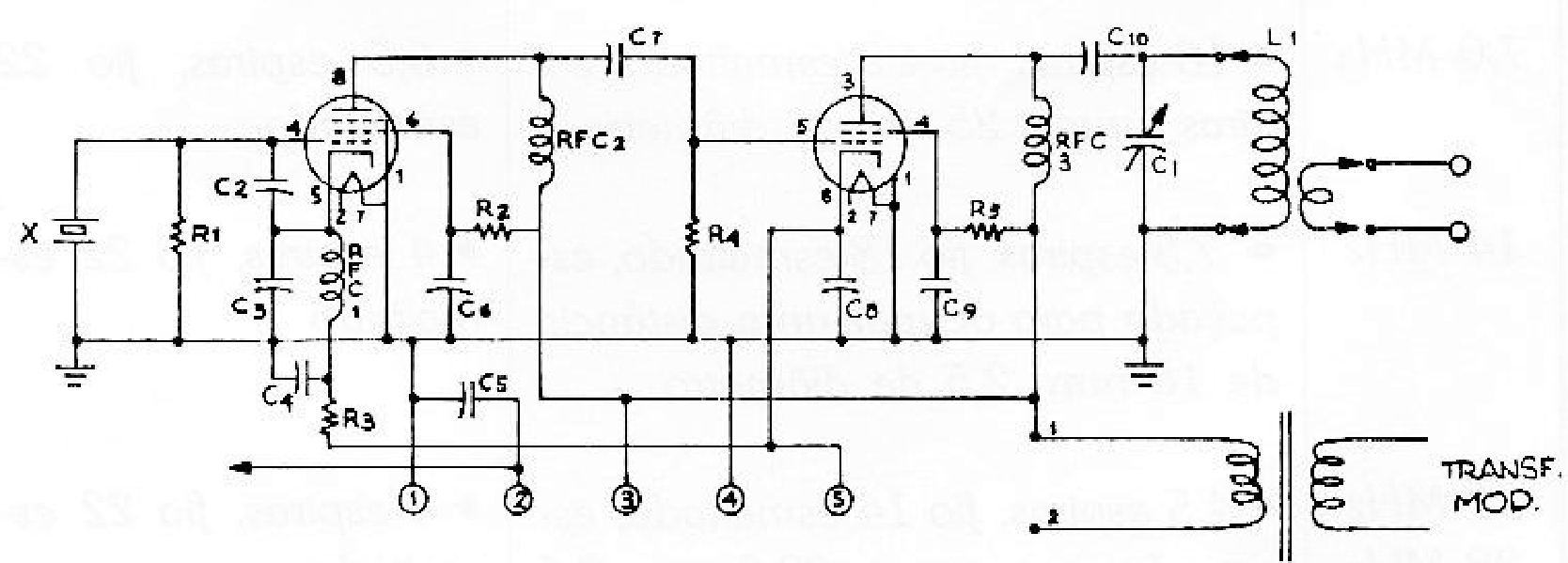
Este transmisor debe ejercer un fuerte llamamiento al que se inicia. Extremadamente simple puede ser construido para operación solamente en onda Al (CW-telegrafía) (figura 1) o entonces para fonía (A3) utilizando el modulador de la figura2.
En el caso de que el transmisor, que utiliza sólo dos válvulas - para el principiante es recomendable utilizar válvulas, por razones explicadas en el prefacio y puede operar en todas las bandas del radioaficionado, y también en la Faja del Ciudadano, debiendo en este caso tener cuidado para que la potencia no excede de lo permitido por la ley.
Las válvulas utilizadas son, en el circuito del cristal, pentodos amplificadores de vídeo, para TV, de las cuales existen muchas aún en los estantes de las casas del ramo. La salida puede ser, desde la clásica 6L6GC, hasta válvulas de deflexión horizontal, para TV. De este modo el lector tiene muchos tipos alternativos para construir este transmisor, que es realmente confiable.






