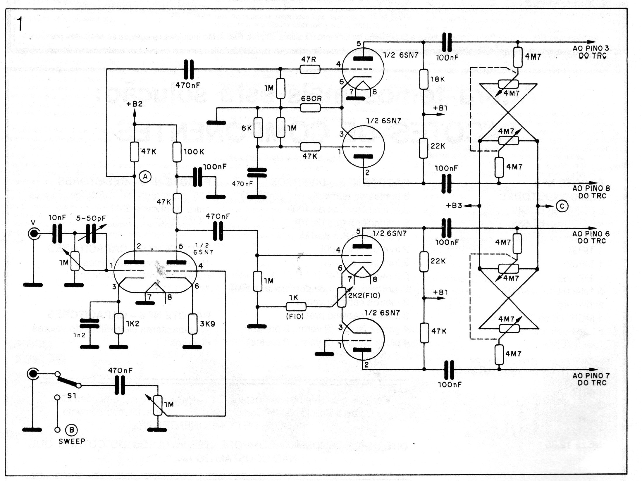
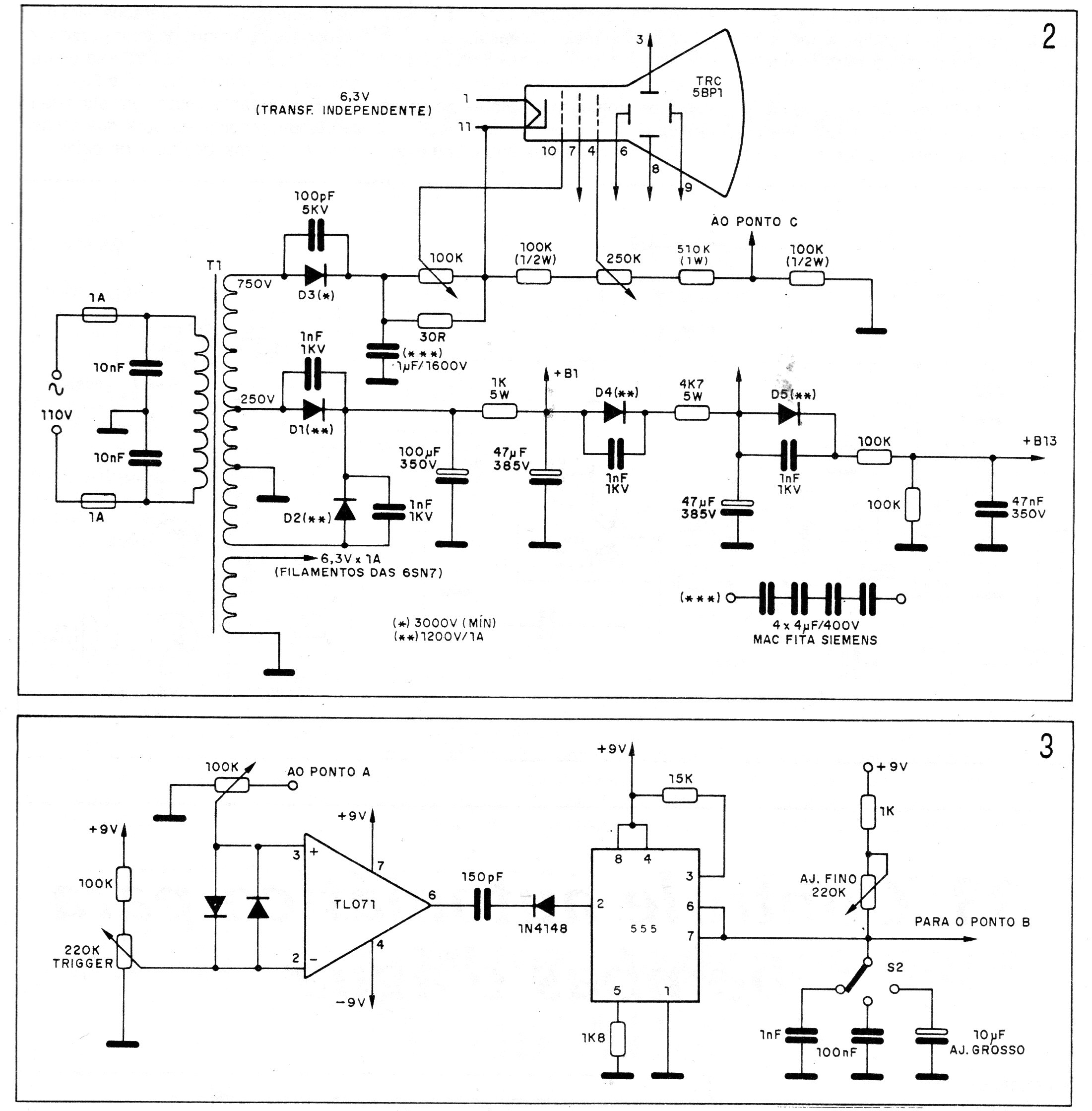
Si usted tiene un tubo de rayos catódicos (TRC) de un osciloscopio antiguo o que no funciona (pero el tubo está bien) puede aprovecharlo montando su propio osciloscopio conforme encontramos en un esquema de una publicación de los años 80. Evidentemente, las válvulas y otros componentes, como los transformadores son críticos. Además, el lector debe tener experiencia con este tipo de componente. Se dan tres circuitos, siendo el tercero la base de tiempo que es de estado sólido.





