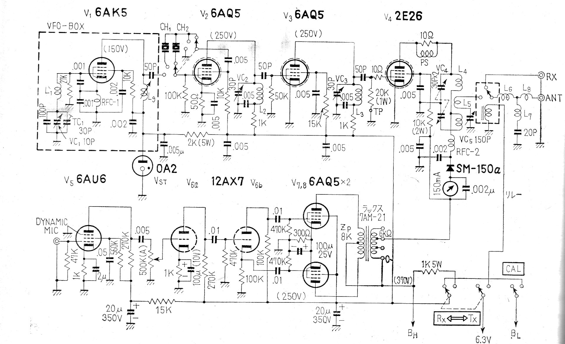
Este transceptor valvular fue encontrado en una publicación japonesa de 1968. Los componentes de la época ya no se encuentran fácilmente y los detalles de las bobinas no se han dado.
Algunos tipos de insectos que "pican" a seres humanos como pernilongos, muriçocas, mutuns, o sea...
Esta simple prueba de componentes se puede utilizar en la bancada en la verificación del estado de...
el transmisor de radio ultra-simple que mostramos en la figura 1 envía sus señales a un receptor am...