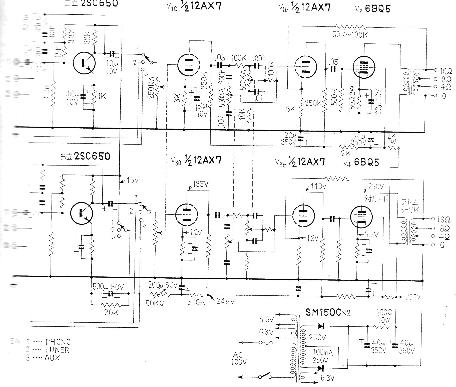
Encontramos este circuito híbrido en una publicación japonesa de 1968. Los componentes son de la época y los componentes críticos, además de las válvulas son los transformadores. El circuito incluye un control de tono tipo Baxandall.
Las radios transistorizadas simples se pueden hacer en infinitas configuraciones. Presentamos una...
Este reforzador de señales permite mejorar la recepción de su radito de ondas medias y cortas (no...
Muchos proyectos que hacen uso de transistores y circuitos integrados son alimentados por una...