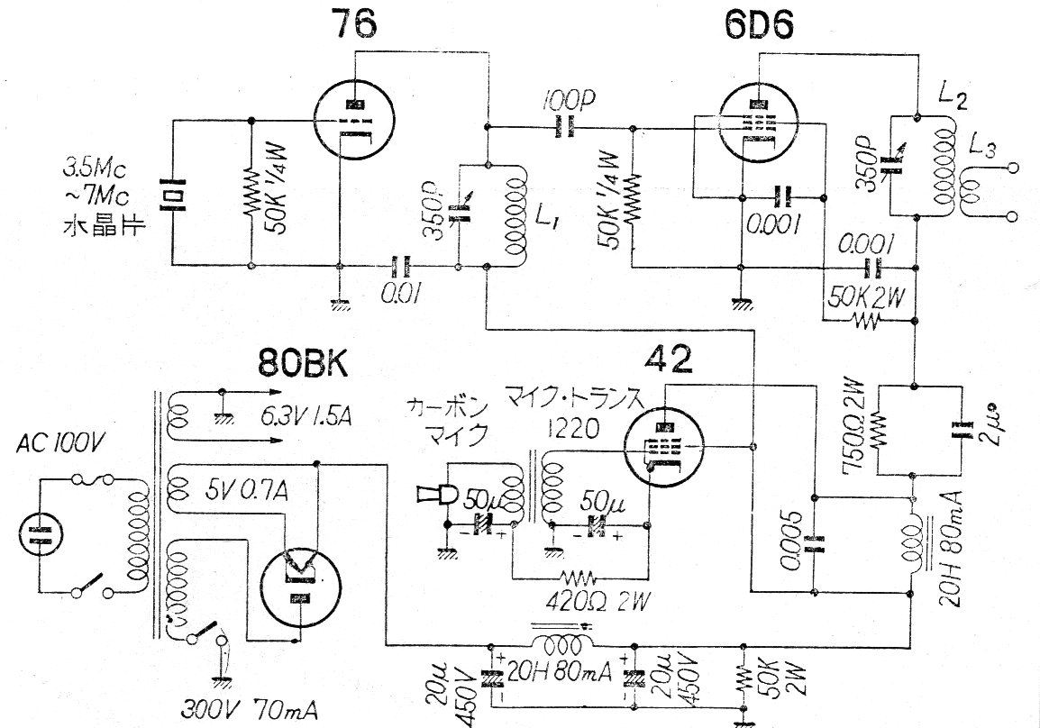
Este transmisor para el rango de 3,5 MHz y 7 MHz fue encontrado en una documentación japonesa de los años 60. La fuente de alimentación fue incluida, pero no se dieron detalles de las bobinas.
El circuito que se muestra a continuación muestra una aplicación lineal del FET de potencia, donde...
El circuito presentado puede ser intercalado entre una antena de AM para ondas medias y cortas e...
Aumente la intensidad del sonido de su bocina piezoeléctrica con el circuito que presentamos. Este oscilador...