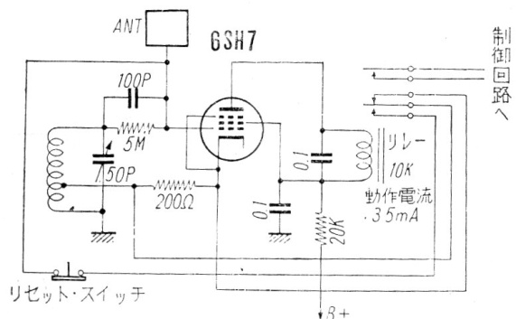
Encontramos este circuito de sensor de toque valvulado en una documentación japonesa de los años 60. El circuito utiliza una sola válvula y no incluye fuente de alimentación que debe tener aproximadamente 200 V. La bobina tiene aproximadamente 20 + 5 espiras de hilo 28 en un tubo de cartón 1 cm de diámetro.




