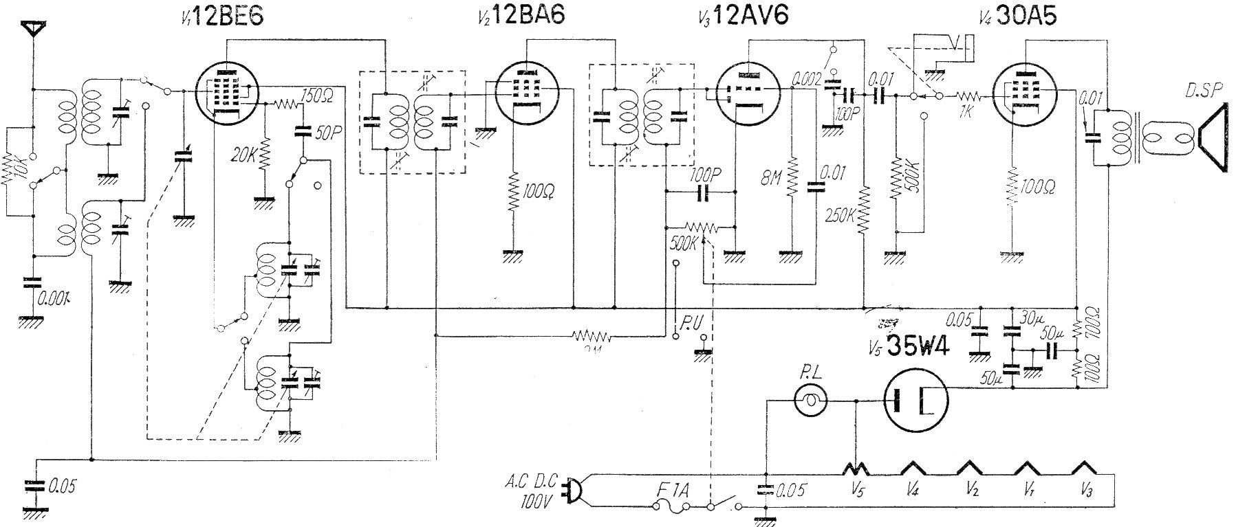
Esta radio sin transformador de fuerza fue encontrada en una revista japonesa de los años 60. El circuito tiene los filamentos en serie y recibe señales de la banda de AM. La FI es de 455 kHz. Observe que la red en Japón en la época era de 100 V.
Las radios transistorizadas simples se pueden hacer en infinitas configuraciones. Presentamos una...
Este reforzador de señales permite mejorar la recepción de su radito de ondas medias y cortas (no...
Muchos proyectos que hacen uso de transistores y circuitos integrados son alimentados por una...