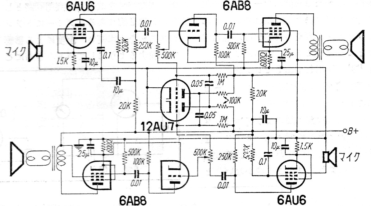
Este intercomunicador valvular se obtuvo en una publicación de los años 60. El circuito no utiliza la llave conmutadora y la fuente de alimentación no está incluida. Los micrófonos son tipos de baja impedancia.
Cuando aprieta el gatillo (S1) y el relé abre y cierra los contactos rápidamente produciendo un ruido...
Encontramos este circuito en una documentación francesa antigua. El transistor usado es poco común...
Para mostrar las posibilidades que las placas de circuitos impresos universal ofrecen a los...