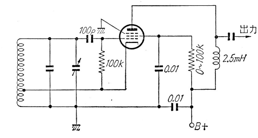
Encontramos este circuito en una documentación japonesa antigua. La bobina depende del rango de frecuencias deseado y la tensión de alimentación depende de la válvula.
Las radios transistorizadas simples se pueden hacer en infinitas configuraciones. Presentamos una...
Este reforzador de señales permite mejorar la recepción de su radito de ondas medias y cortas (no...
Muchos proyectos que hacen uso de transistores y circuitos integrados son alimentados por una...