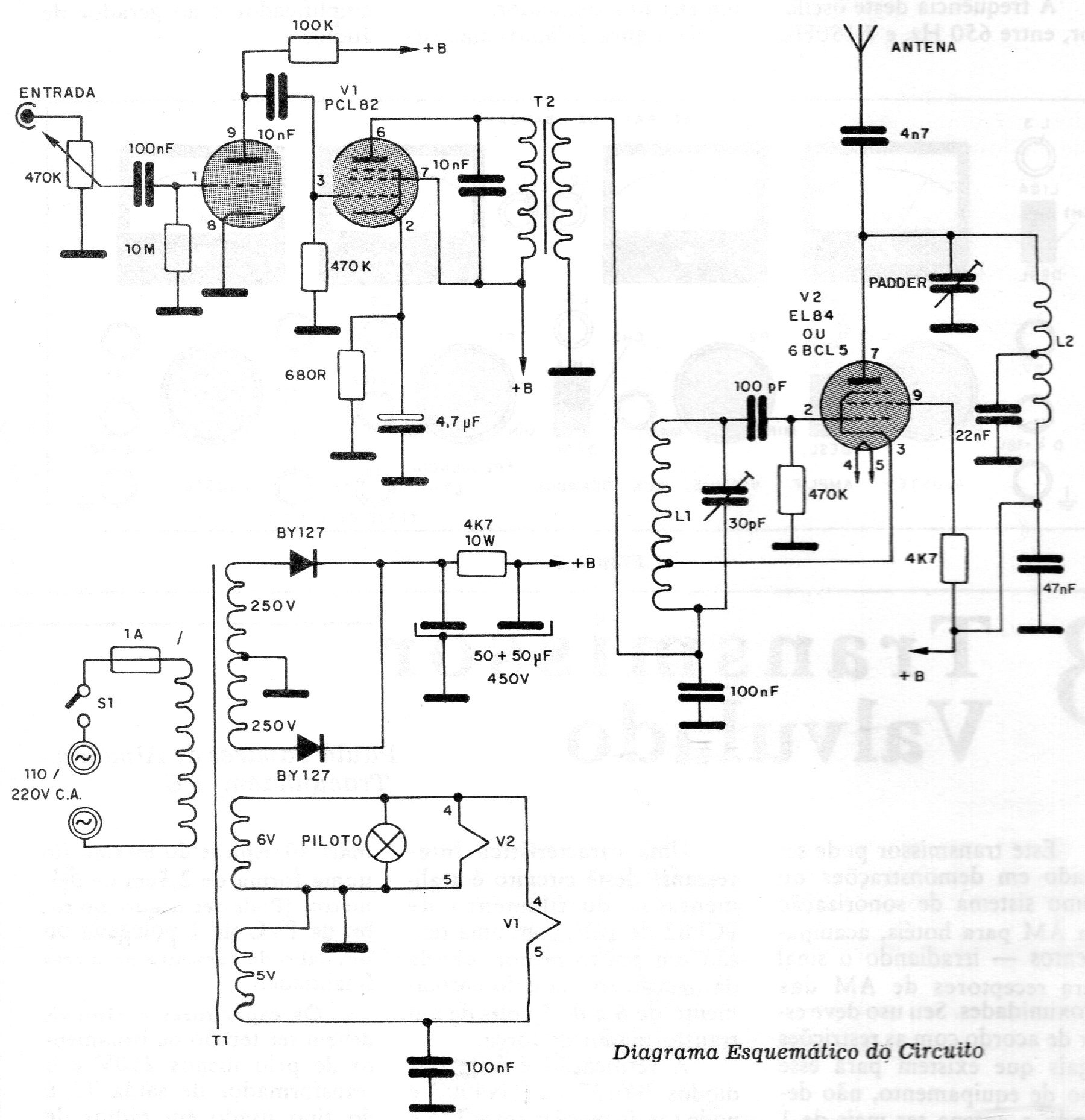
Este transmisor de ondas medias utiliza dos válvulas y tiene un buen alcance. L1 se forma poe 30 + 70 espiras de hilo 28 en un tubo de PVC de 2,5 cm y L2 tiene 50 + 50 espiras de hilo 28 en un tubo de PVC de 2,5 cm. El padder puede ser reemplazado por una variable común. La antena es un cable estirado de 3 a 10 metros de longitud. El transformador de modulación puede ser un pequeño transformador de 110 x 12 V x 200 a 500 mA.




