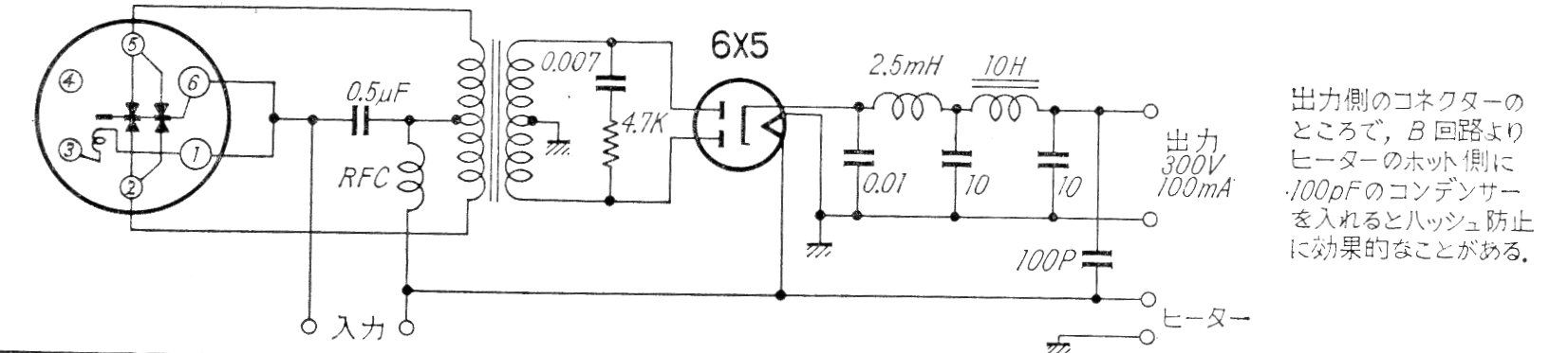
Este circuito de una documentación japonesa antigua muestra cómo se obtiene alta tensión para valvulados alimentados por la batería de un coche. En el caso, se utilizaba un vibrador mecánico, que aún se puede encontrar en casas especializadas en la recuperación de coches antiguos. El componente crítico es el transformador que, sin embargo, puede adaptarse a partir de un transformador de alimentación común.




