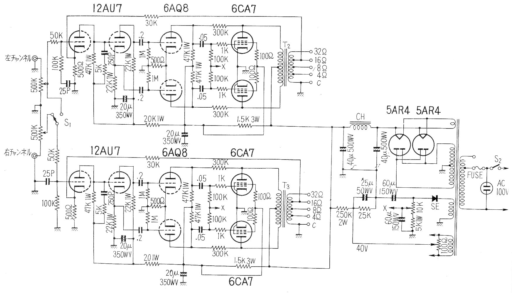
Este amplificador estéreo de 35 W por canal utiliza las válvulas 6CA7 en la salida conectadas en push-pull clase B. El circuito se encuentra en una documentación de 1961 e incluye la fuente de alimentación.
Las radios transistorizadas simples se pueden hacer en infinitas configuraciones. Presentamos una...
Este reforzador de señales permite mejorar la recepción de su radito de ondas medias y cortas (no...
Muchos proyectos que hacen uso de transistores y circuitos integrados son alimentados por una...