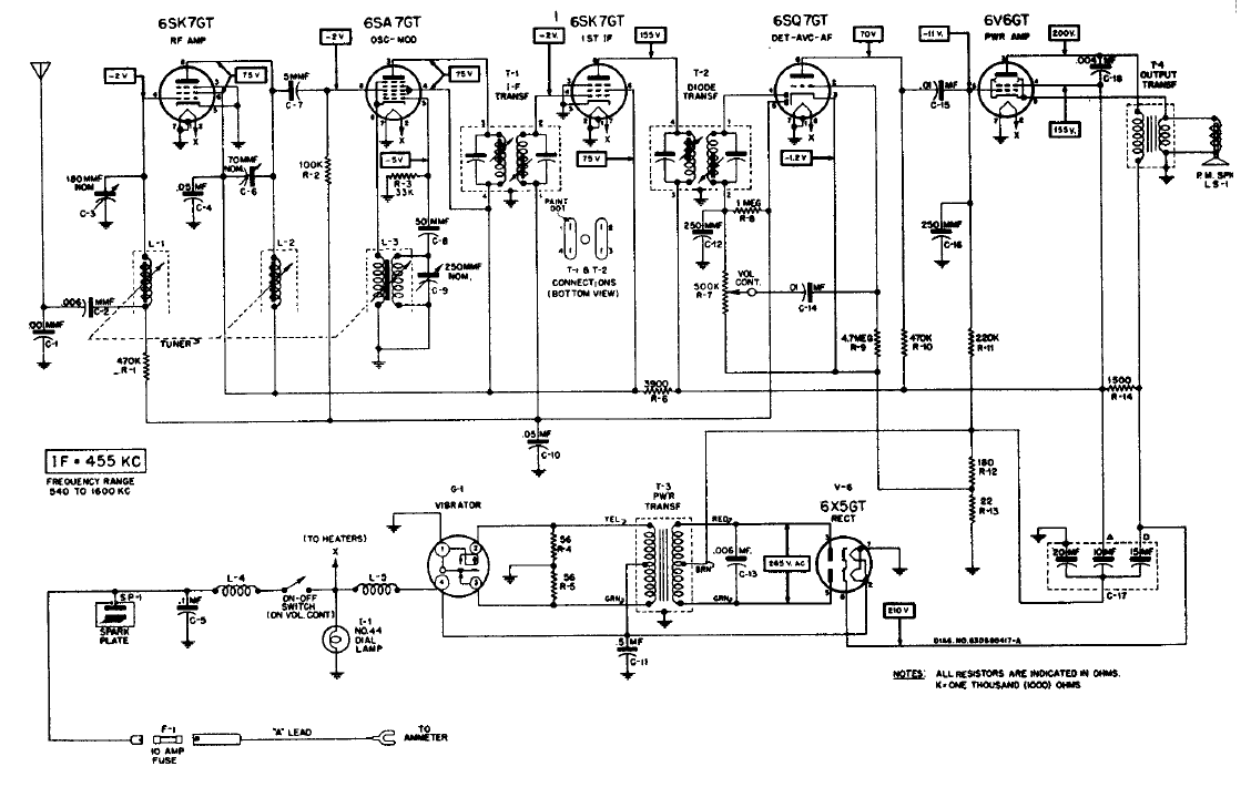
Esta radio valvulado para la banda de AM usaba vibrador para obtener la alta tensión. El circuito es para el rango de ondas medias con FI de 455 kHz.
Cuando uno de los sensores está abierto, el microalarme emite un sonido que depende de R2 y del...
Este simple circuito se puede utilizar para reforzar el sonido de pequeñas radios y otros aparatos de...
Un solo circuito integrado es la base de este oscilador que puede proporcionar una potente señal de...