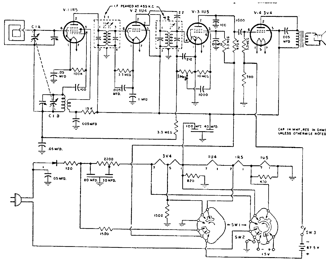
Este receptor de 1950 con 5 válvulas tanto podía ser alimentado por la red de energía como dos baterías, una de1,5 V y otra de 67,5 V, lo que era común en una época en que no había todavía el transistor.
Cuando uno de los sensores está abierto, el microalarme emite un sonido que depende de R2 y del...
Este simple circuito se puede utilizar para reforzar el sonido de pequeñas radios y otros aparatos de...
Un solo circuito integrado es la base de este oscilador que puede proporcionar una potente señal de...