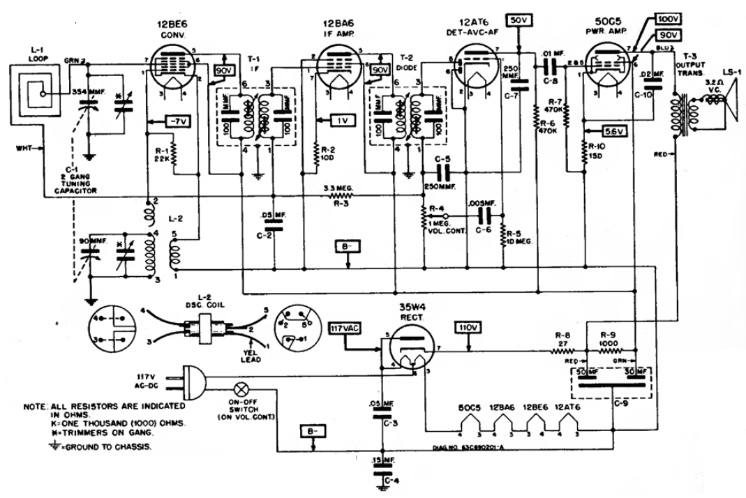
Encontramos esta radio en un esquemario de la época. Se trata de un receptor de 5 válvulas con filamentos en serie y antena de cuadro para la banda de ondas medias.
Cuando uno de los sensores está abierto, el microalarme emite un sonido que depende de R2 y del...
Este simple circuito se puede utilizar para reforzar el sonido de pequeñas radios y otros aparatos de...
Un solo circuito integrado es la base de este oscilador que puede proporcionar una potente señal de...