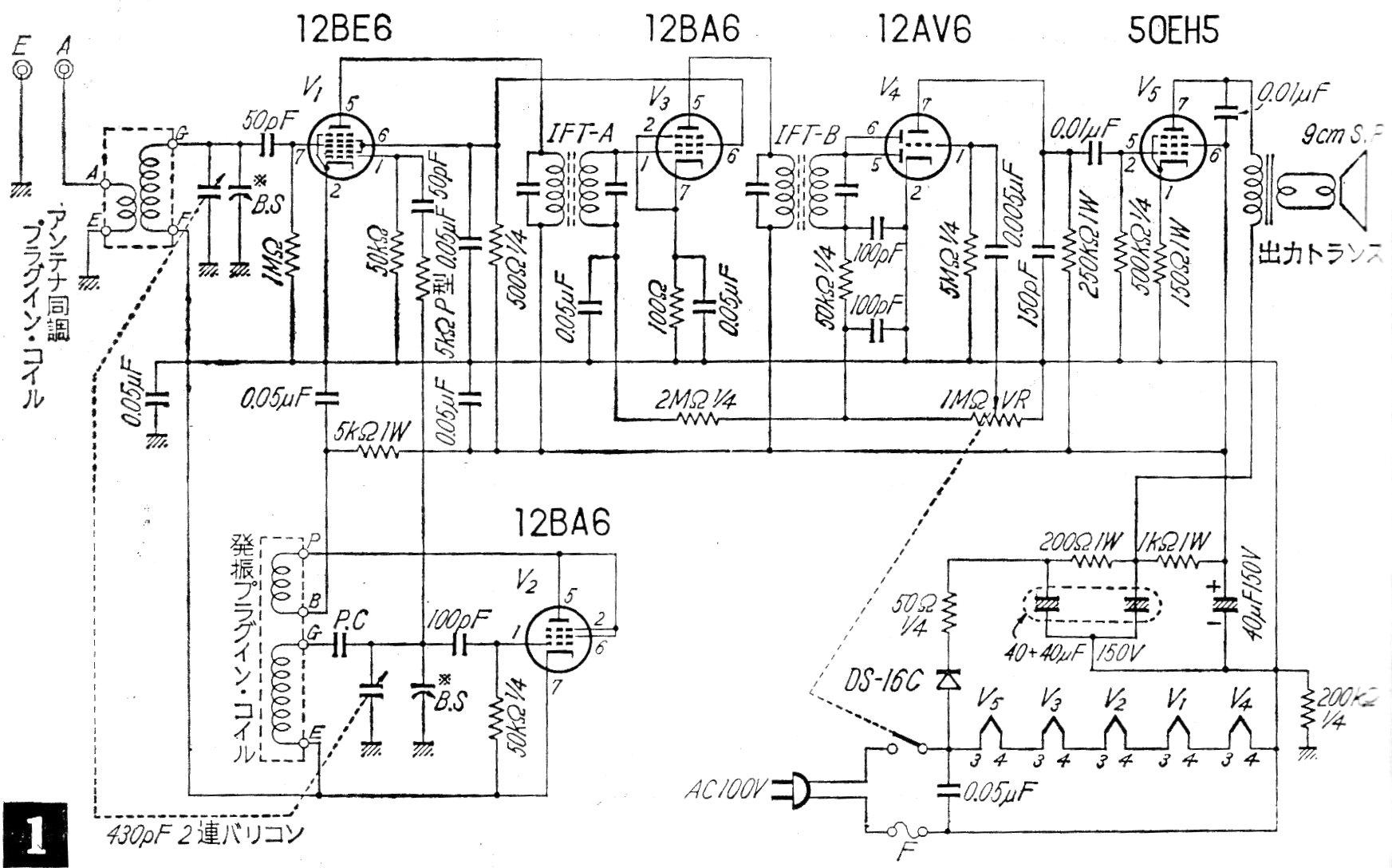
Este receptor valvular utiliza varias bobinas de encaje, según el rango de ondas que se desea recibir. El circuito fue encontrado en una documentación de los años 60 y emplea válvulas que aún se conocen actualmente. No se han dado detalles constructivos de las bobinas para las diversas pistas.




